NÁŠ YOUTUBE KANÁL!!!
NÁŠ YOUTUBE KANÁL!!!


KLIKNI ZDE  a prohlédni si naše nejnovější videa! 

Na našem kanálu najdeš ty nejvýznamnější realizace. Nenech si je ujít.

Clearmont, spol. s r.o.
  • Co děláme
    • Fasádní a interiérové konstrukce
    • Kování a dveřní technika
    • Servis
  • Kdo jsme
    • O nás
    • Certifikáty
  • Reference
  • Poptávka
  • Aktuality
  • Blog
  • Kontakt
  • Servis
  • e-shop - zavirace.cz
    • EN
    • DE
  • EN
  • DE

Hledáme relevantní výsledky.

Servis E-shop - zavirace.cz
  • Co děláme
    • Fasádní a interiérové konstrukce
    • Kování a dveřní technika
    • Servis
  • Kdo jsme
    • O nás
    • Certifikáty
  • Reference
  • Poptávka
  • Aktuality
  • Blog
  • Kontakt
  • Hledáme relevantní výsledky.

  • Servis
  • e-shop - zavirace.cz
    • EN
    • DE
  • Úvod
  • Co děláme
  • Kování a dveřní technika
  • Zařízení pro odvod kouře a tepla (ZOKT) a systémy přirozeného větrání
  • TSZ 200
TSZ 200 1/2 TSZ 200 2/2
TSZ 200 1/2 TSZ 200 2/2
TSZ 200 TSZ 200

TSZ 200

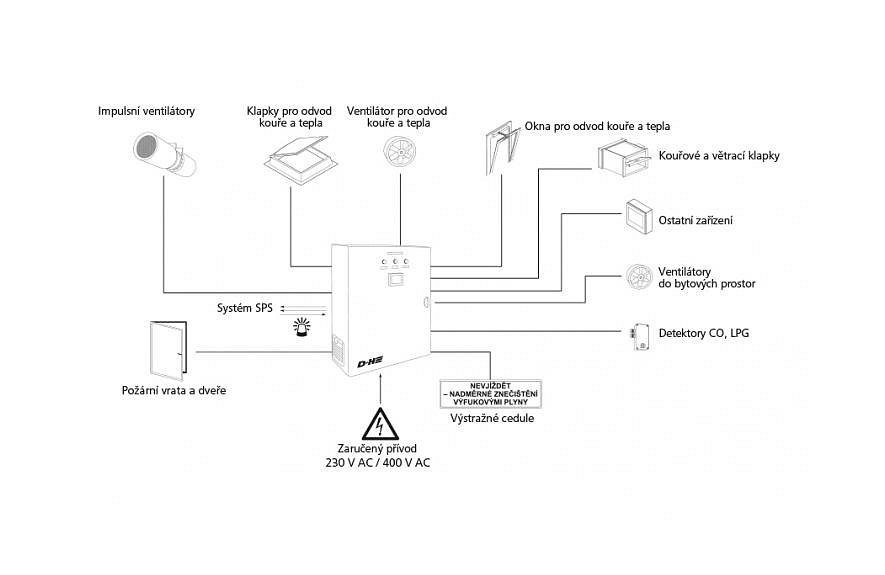
D+H

Řídicí a napájecí jednotka pro ovládání systémů odvodu kouře a tepla a požárního větrání, která je určena pro komerční a obytné stavby, podzemní garáže a schodiště.

Použití

  • ve velkých objektech
  • individuální nastavení dle prostředí a potřeb objektů

Produktové vlastnosti

  • bezpečné a plynulé spouštění ventilátorů v různých variantách
  • podporuje pohony řízené napětím 24 V DC/230 V AC
  • podporuje elektromechanická nebo elektromagnetická blokovací zařízení (zámky, západky, blokády, závory)
  • kompatibilní se systémy detekce CO a LPG
  • detekuje zkratový nebo rozpojený stav koncových spínačů a kontroluje překročení jejich času
  • indikuje provozní stav pomocí kontrolních světel na krytu zařízení a na displeji, LCD displej (volitelně) sleduje a kontroluje stav připojení periferních zařízení
  • umožňuje sledovat historii událostí a revidovat správné užívání
  • umožňuje připojení specializovaných univerzálních snímačů diferenčního tlaku typ UCPRC-1
  • podporuje požární hlásiče a tlačítka vyráběná společností D+H

Katalogy

katalog produktů D+H partners / CZ.pdf

Poptávka

Poptávkový formulář

Do formuláře prosím uveďte svůj dotaz nebo nezávazně poptejte produkt. Jakmile to bude možné, budeme Vás kontaktovat pro upřesnění detailů.

Prosím, uveďte také místo realizace.

Odesláním formuláře souhlasíte se
zásadami ochrany osobních údajů.

Clearmont, spol. s r.o.

Řešení pro nejnáročnější

  • Facebook
  • YouTube
  • www.carpenthouse.cz
  • Všeobecné obchodní podmínky
  • Ochrana osobních údajů
+420 596 621 745 asistentka@clearmont.cz ukaž na mapě

Bořivojova 127/20
718 00, Ostrava-Kunčičky
Česká republika

© 2026 Clearmont– všechna práva vyhrazena

Upozornění